Hotline
+8615161118388

Product description
◎ There are three types of heating sources: steam, electricity and electric steam.
◎ Operating temperature: steam heating 50-140 ℃, maximum 150 ℃; Electric heating 50-350 ℃;
◎ The temperature is automatically controlled and recorded by a recorder;
◎ The inner wall of the box is fully welded, and all transitions are arc transition without dead corners.
◎ The sealing of the whole machine is good, and the unique guide rail sealing device ensures the sealing of the whole machine;
◎ The air inlet is equipped with high-efficiency air filter; The moisture outlet is equipped with medium efficiency air filter.
◎ Double doors of the oven realize mechanical interlocking;
◎ All parts and components in the oven can be removed and installed quickly to facilitate cleaning;
◎ The control system is equipped with text display and touch screen for selection;
◎ The whole machine meets the requirements of "GMP".
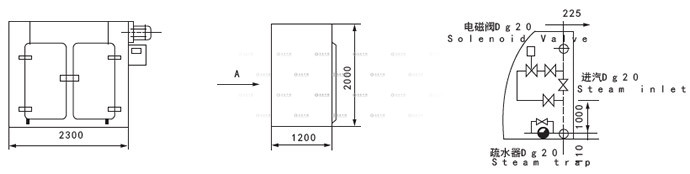
Installation diagram

Model and specification | Drying amount per time(kg) | Fan power(kw) | Steam consumption(kg/h) | Drying car(set) | Baking tray(only) | wide × deep × high(mm) | Upper and lower temperature(℃) |
GMP-O | 35 | 0.45 | 8 | / | 16 | 1130×1100×1750 | ±2 |
GMP-I | 120 | 0.45 | 18 | 2 | 48 | 2300×1200×2000 | ±2 |
GMP-II | 240 | 0.9 | 36 | 4 | 96 | 2300×2200×2000 | ±2 |
GMP-III | 360 | 1.35 | 54 | 6 | 144 | 3430×2200×2000 | ±2 |
GMP-IV | 480 | 1.8 | 72 | 8 | 192 | 4460×2200×2290 | ±2 |
?
